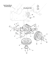
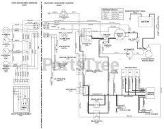
IS 4000Z (5901063) - Ferris IS4000Z Series Zero-Turn Mower, 31hp Vanguard Parts & Diagrams Parts Lists & Diagrams

IS4000Z Series Zero-Turn Mower, 31hp Vanguard