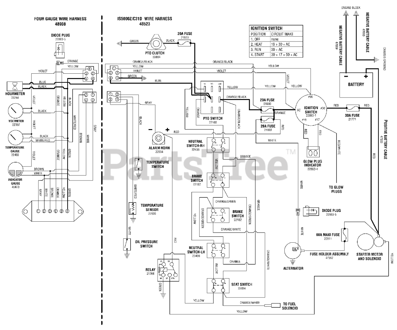
IS 5000Z (5901070) - Ferris IS5000Z Series Zero-Turn Mower, 31hp Caterpillar Diesel (SN: 1226 & Above) Electrical Schematic - PTO & Hourmeter Circuit (S/N: 1290 & below) Parts Diagram

IS5000Z Series Zero-Turn Mower, 31hp Caterpillar Diesel

Electrical Schematic - PTO & Hourmeter Circuit (S/N: 1290 & below) Parts Diagram

  • Title