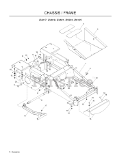
iZ 5223 VAN - Husqvarna 52" Zero-Turn Mower (2008-12) Parts & Diagrams Parts Lists & Diagrams

52" Zero-Turn Mower