KEH-202 D - Echo Engine Ignition Parts Diagram

Engine

Ignition Parts Diagram

  • Title
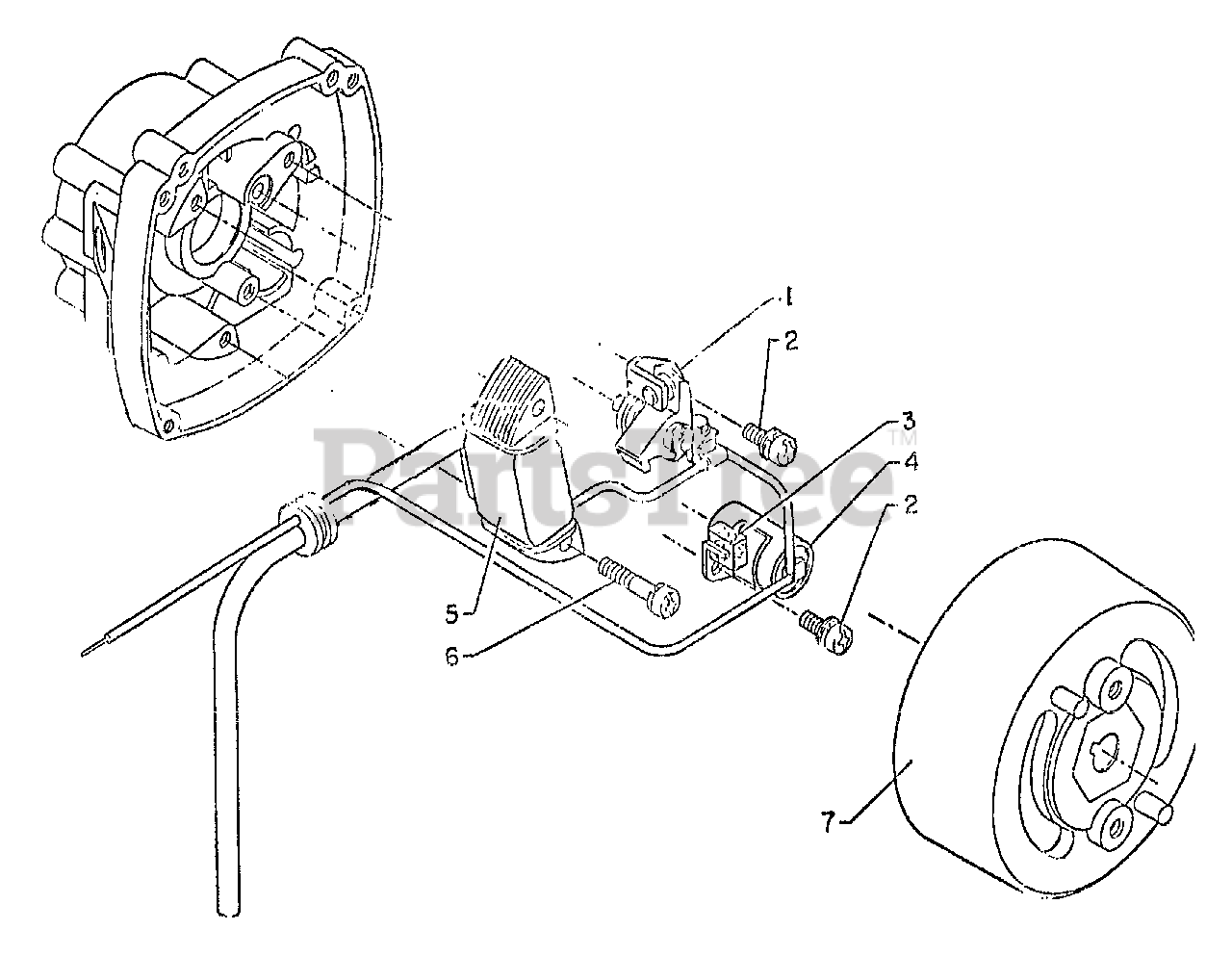
1

Echo 15610104630

CONTACT POINT SET
(Superseded to Discontinued)

$

$

Not available

2

Echo 90022004010

SCREW 4×10

$

$

Not available

2

Echo 900605-00004

WASHER, SPRING 4 MM

$0.99

$

In Stock, Qty 20+

0

2

Echo 90060000004

WASHER 4 MM

$0.99

$

In Stock, Qty 9

0

3

Echo 15613404630

PAD, OIL

$2.49

$

Usually ships in 2-4 days

0

4

Echo 15612704630

CONDENSER
(Superseded to Discontinued)

$

$

Not available

5

Echo 15612604630

COIL, IGNITION
(Superseded to Discontinued)

$

$

Not available

6

Echo 90022004024

SCREW 4×24
(Superseded to Discontinued)

$

$

Not available

6

Echo 900605-00004

WASHER, SPRING 4 MM

$0.99

$

In Stock, Qty 20+

0

7

Echo 15620004630

FLYWHEEL
(Superseded to 15620004631)

$

$

Not available