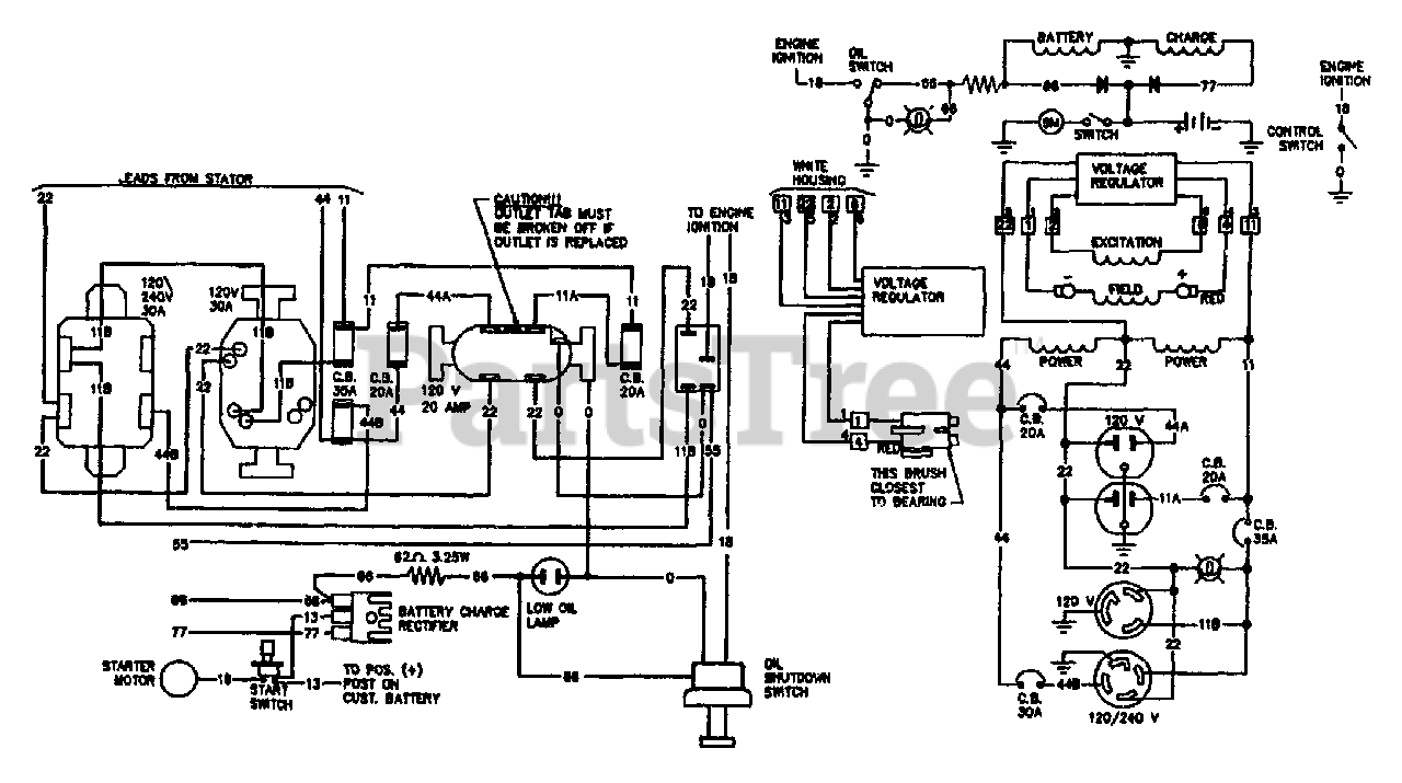
L7500E (8992-0) - Generac 7,500 Watt Portable Generator Electrical Schematic & Wiring Diagram Parts Diagram

7,500 Watt Portable Generator

Electrical Schematic & Wiring Diagram Parts Diagram

  • Title