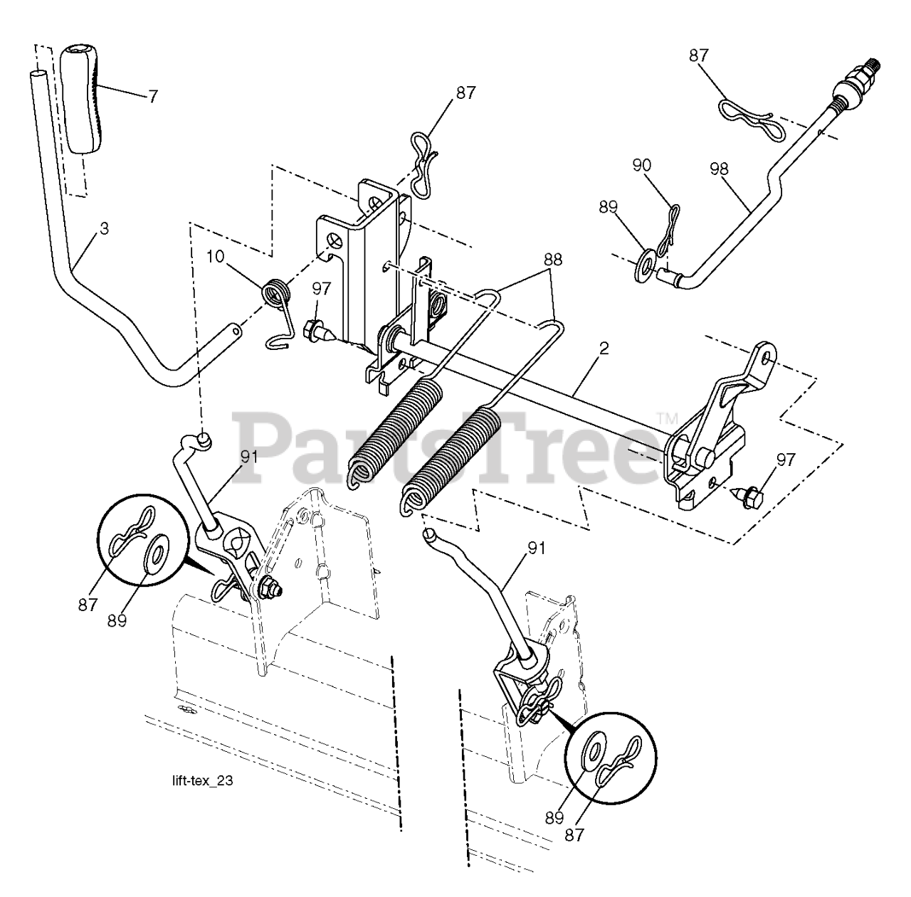
LGT 24 K54 (917240471) - Husqvarna 54" Lawn Tractor (2011-09) MOWER LIFT / DECK LIFT Parts Diagram

54" Lawn Tractor

MOWER LIFT / DECK LIFT Parts Diagram

  • Title
2

Husqvarna 532422027

SHAFT.ASM.CROSS.LIFT

$79.99

$

In Stock, only 4 left!

0

3

Husqvarna 532195230

LEVER.LIFT.HANDLE.GT
(Superseded to 596270601)

Note: RH

$26.99

$

In Stock, only 2 left!

0

7

Husqvarna 532411555

GRIP.HANDLE.LIFT.PVC.BLACK

$9.49

$

In Stock, Qty 16

0

10

Husqvarna 532196314

SPRING.TORSION.LIFT.HANDLE

$4.99

$

In Stock, Qty 11

0

87

Husqvarna 532194209

PIN.COTTER.7/16.BOW TI.

$3.49

$

In Stock, Qty 20+

0

88

Husqvarna 532195304

SPRING.LIFT.ASSIST.GT2
(Superseded to 532195301)

$20.99

$

In Stock, only 2 left!

0

89

Husqvarna 819191912

WASHER.CLEAR.ZINC

$3.49

$

In Stock, Qty 20+

0

90

Husqvarna 532194208

PIN.COTTER.5/16.BOW TI

$1.49

$

In Stock, Qty 20+

0

91

Husqvarna 532403407

LINK.ASM.LIFT.54"TG
(Superseded to 589464805)

$22.99

$

In Stock, Qty 9

0

97

Husqvarna 817000612

SCREW, 3/8-16X3/4

$4.99

$

In Stock, Qty 17

0

98

Husqvarna 532195264

LINK.ASM.SUSP.FRONT.MWR.10.5
(Superseded to 581506902)

$13.99

$

In Stock, Qty 20+

0