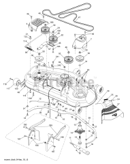
LGT 24 K54 (960430127-00) - Husqvarna 54" Lawn Tractor (2010-11) Parts & Diagrams Parts Lists & Diagrams

54" Lawn Tractor