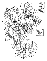
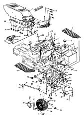
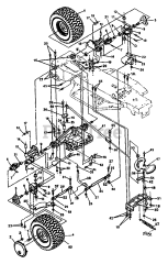
LT 1000 (LT 1000-14) - Craftsman Lawn Tractor (1991-03) Parts & Diagrams Parts Lists & Diagrams

Lawn Tractor