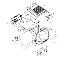
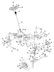
LT-135 (13AA692G190) - White Outdoor 42" Lawn Tractor (2002) Parts & Diagrams Parts Lists & Diagrams

42" Lawn Tractor