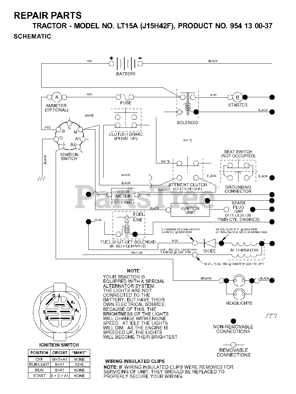
LT 15 A (954130037-F) - Jonsered Lawn Tractor (2000-04) SCHEMATIC Parts Diagram

Lawn Tractor

SCHEMATIC Parts Diagram

  • Title