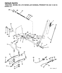
LT 2115 CMA (954130216) - Jonsered Lawn Tractor (2004-01) Parts & Diagrams Parts Lists & Diagrams

Lawn Tractor