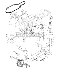
LT 2216 CMA2 (960610244-00) - Jonsered Lawn Tractor (2009-01) Parts & Diagrams Parts Lists & Diagrams

Lawn Tractor