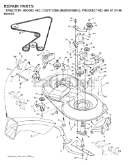
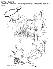
LT 2217 CMA (960610196-01) - Jonsered Lawn Tractor (2007-05) Parts & Diagrams Parts Lists & Diagrams

Lawn Tractor