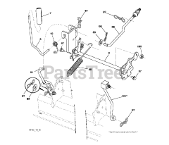
LT 2218 A (960410105-00) - Jonsered Lawn Tractor (2009-01) Parts & Diagrams Parts Lists & Diagrams

Lawn Tractor