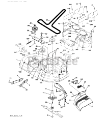
LT 2218 A2 (960410109-00) - Jonsered Lawn Tractor (2009-02) Parts & Diagrams Parts Lists & Diagrams

Lawn Tractor