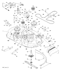
LTH 18538 (917250170) - Husqvarna 38" Lawn Tractor (2012-01) Parts & Diagrams Parts Lists & Diagrams

38" Lawn Tractor