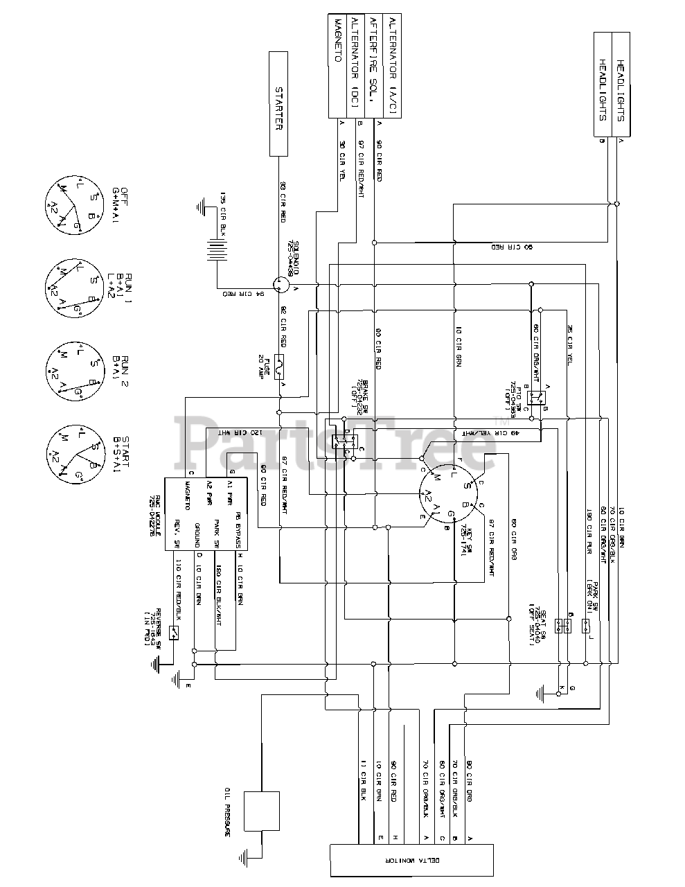
LTX 1042 (13AX91AS010) - Cub Cadet 42" Lawn Tractor (2010) Electrical Schematic Parts Diagram

42" Lawn Tractor

Electrical Schematic Parts Diagram

  • Title