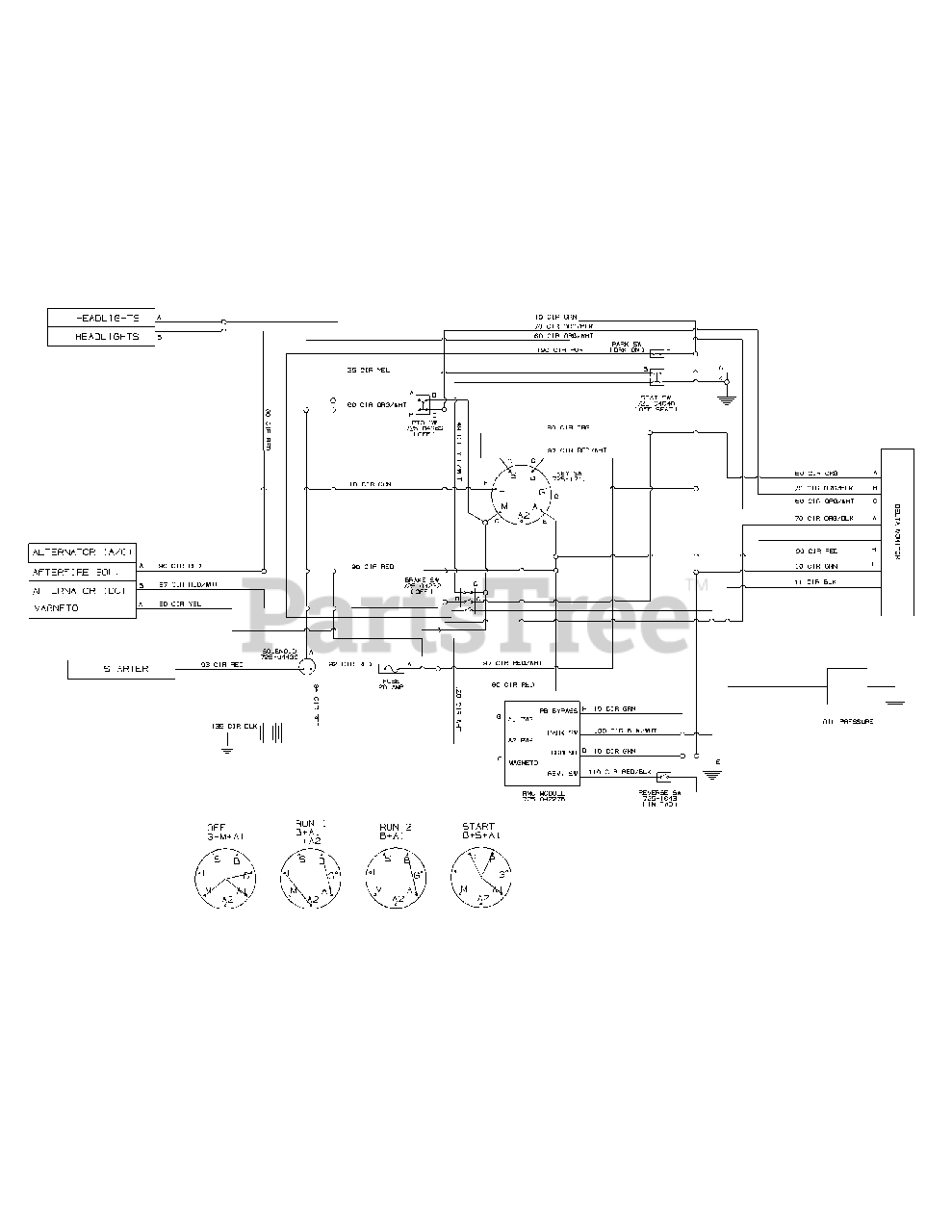
LTX 1042 KW (13AG93AS210) - Cub Cadet 42" Lawn Tractor (2012) Electrical Schematic Parts Diagram

42" Lawn Tractor

Electrical Schematic Parts Diagram

  • Title