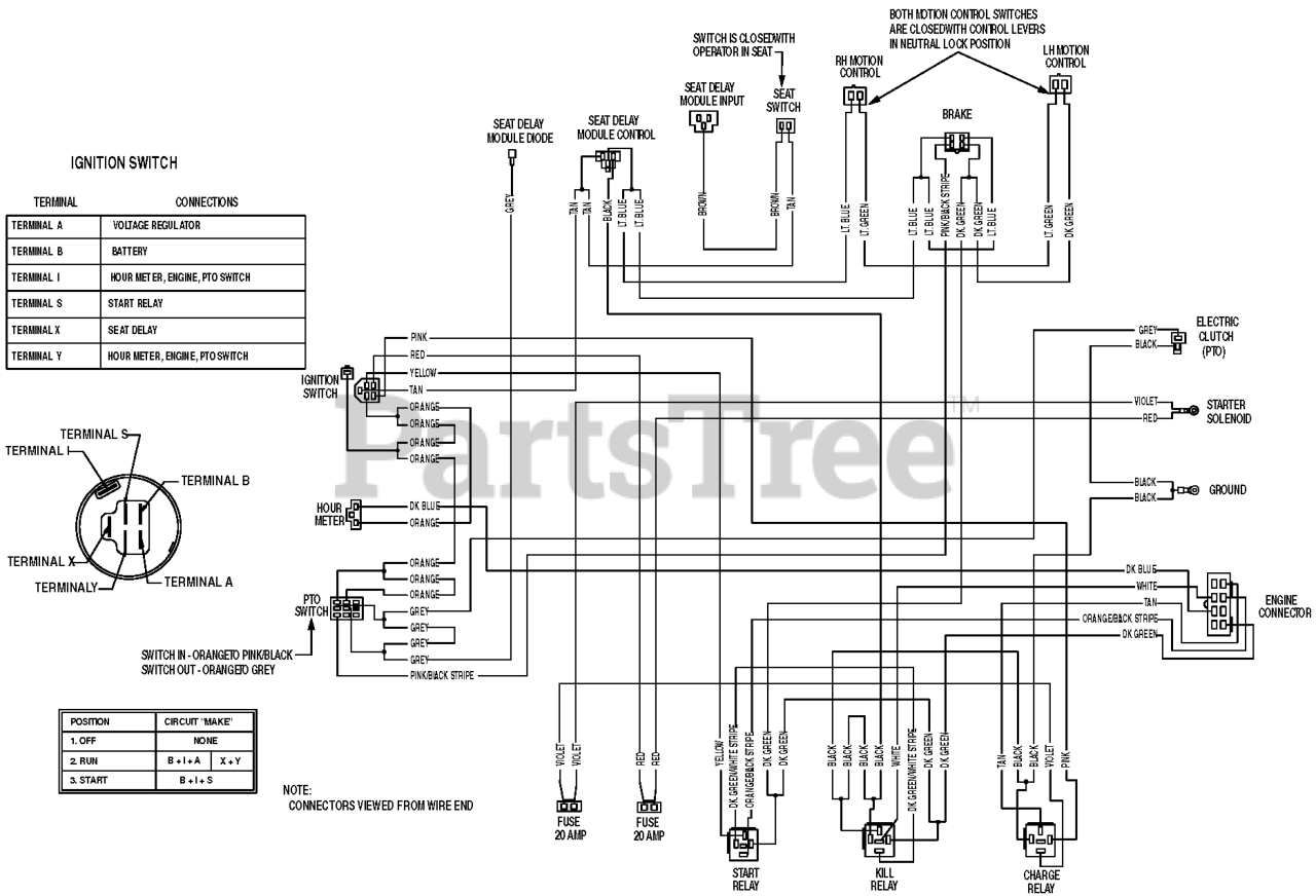
LXS35BV725 - Exmark 72" Lazer Z XS Zero-Turn Mower, 35hp Briggs & Stratton (SN: 850000 - 919999) (2010) Electrical diagram Parts Diagram

72" Lazer Z XS Zero-Turn Mower, 35hp Briggs & Stratton

Electrical diagram Parts Diagram

  • Title

Diagram only, no parts list available

$

$

Not available