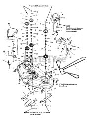
MRZT 26520 (7800817) - Massey Ferguson 52" Zero-Turn Mower, 26hp Briggs & Stratton Parts & Diagrams Parts Lists & Diagrams

52" Zero-Turn Mower, 26hp Briggs & Stratton