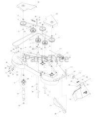
MZ 6125 (968999718) - Husqvarna 61" Zero-Turn Mower (2007-11) Parts & Diagrams Parts Lists & Diagrams

61" Zero-Turn Mower