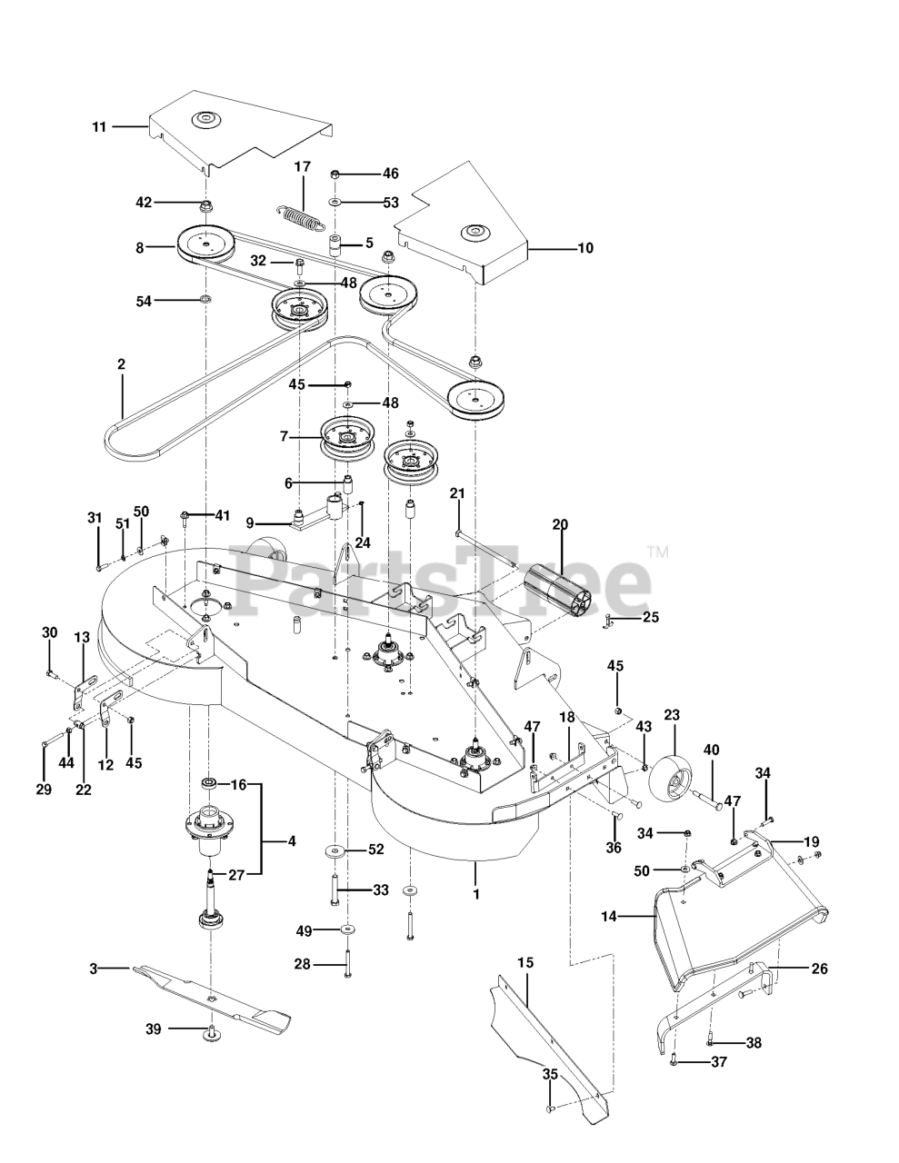
MZT 61 (967177007) - Husqvarna 61" Zero-Turn Mower (2013-09) MOWER DECK / CUTTING DECK Parts Diagram

61" Zero-Turn Mower

MOWER DECK / CUTTING DECK Parts Diagram

  • Title
1

Husqvarna 581505401

DECK SVC MZT 61 W/DECALS ORG

$2279.99

$

Usually ships in 3-10 days

0

2

Husqvarna 539104335

BELT, DECK
(Superseded to 522795901)

$96.99

$

In Stock, Qty 20+

0

3

Husqvarna 510417901

BLADE, 21"

$31.99

$

In Stock, Qty 20+

0

4

Husqvarna 539131898

MANDREL ASM, CAST IRON

$79.99

$

In Stock, Qty 20+

0

5

Husqvarna 539103427

PIVOT BUSHING

$11.99

$

In Stock, Qty 20+

0

6

Husqvarna 539112169

IDLER BUSHING
(Superseded to 596841501)

$9.49

$

In Stock, Qty 7

0

7

Husqvarna 539132728

PULLEY, IDLER
(Superseded to 589766102)

$34.99

$

In Stock, Qty 20+

0

$26.99

$

In Stock, Qty 20+

0

9

$34.99

$

In Stock, only 1 left!

0

10

Husqvarna 539113319

BELT SHIELD, RH ORANGE

$74.99

$

Usually ships in 3-10 days

0

11

Husqvarna 539113322

BELT.SHIELD.LH.ORANGE
(Superseded to 584385601)

$96.99

$

Usually ships in 3-10 days

0

12

Husqvarna 539131857

PITCH, ADJUST, RT

$39.99

$

Usually ships in 3-10 days

0

13

Husqvarna 539131858

PITCH, ADJUST, LT

$43.99

$

Usually ships in 3-10 days

0

14

Husqvarna 539130901

CHUTE, RUBBER DISCHARGE 52/61"

$102.99

$

In Stock, only 2 left!

0

15

Husqvarna 539113317

CONFINEMENT PLATE 61

$37.99

$

Usually ships in 3-10 days

0

16

Husqvarna 539112050

BEARING, BALL

$6.99

$

In Stock, Qty 20+

0

$13.99

$

In Stock, Qty 17

0

18

Husqvarna 581606102

BRACKET.M-ZT.CHUTE(ORG)
(Superseded to 581606104)

$26.99

$

Usually ships in 3-10 days

0

19

Husqvarna 539130917

PIVOT BRACKET - CHUTE

$227.99

$

Usually ships in 3-10 days

0

20

Husqvarna 532176066

NOSE ROLLER 48"

$14.99

$

In Stock, Qty 20+

0

21

Husqvarna 539131859

TRUNION, PITCH
(Superseded to 596565501)

$13.99

$

Usually ships in 3-10 days

0

21

Husqvarna 532179127

ROD.ROLLER.NOSE.NARROW.48"
(Superseded to 594092501)

$6.99

$

In Stock, Qty 20+

0

22

Husqvarna 539107610

GAUGE WHEEL
(Superseded to 532133957)

$14.99

$

In Stock, Qty 20+

0

23

Husqvarna 539107610

GAUGE WHEEL
(Superseded to 532133957)

$14.99

$

In Stock, Qty 20+

0

24

Husqvarna 539976998

ZERK
(Superseded to 596899901)

$3.49

$

In Stock, Qty 20+

0

25

Husqvarna 539990365

RP_COTTER PIN 1/8 X 3/4
(Superseded to 596029501)

$3.49

$

In Stock, only 2 left!

0

26

Husqvarna 539130920

BRKT, REINF - CHUTE 52/61"
(Superseded to 592964402)

$28.99

$

Usually ships in 3-10 days

0

27

Husqvarna 532187291

SHAFT ASM MANDREL

$31.99

$

In Stock, Qty 20+

0

28

Husqvarna 539101341

HCS 3/8C X 3

$5.99

$

In Stock, Qty 18

0

29

Husqvarna 539108396

HCS 5/16-18 X 2 1/2 TPBLT

$

$

Not available

30

Husqvarna 539990563

HCS 3/8-16X1.GRD.5.ZD
(Superseded to 596564401)

$4.99

$

In Stock, Qty 15

0

31

Husqvarna 539976934

HCS 5/16C X 3/4
(Superseded to 596030501)

$4.99

$

In Stock, Qty 20+

0

32

Husqvarna 539990582

4CS 3/8C X 1 SERRATED HEAD
(Superseded to 596583101)

$4.99

$

In Stock, Qty 11

0

33

Husqvarna 539103433

HCS 1/2C X 3 1/4

$6.99

$

In Stock, Qty 17

0

34

Husqvarna 539990627

HCS 5/16C X 1 1/4

$4.99

$

In Stock, only 2 left!

0

35

Husqvarna 539990799

CARRIAGE BOLT 5/16C X 5/8"
(Superseded to 596039401)

$2.49

$

In Stock, Qty 20+

0

36

Husqvarna 539107271

RHSSNB 5/16C X 1.0
(Superseded to 596435701)

$3.49

$

In Stock, Qty 20+

0

37

Husqvarna 539100472

BOLT, CARRIAGE 5/16X1-1/4
(Superseded to 596671401)

$4.99

$

In Stock, Qty 16

0

38

Husqvarna 539102933

RHSNB 5/16-18 X 1-1/2 GR 5 ZD
(Superseded to 596030801)

$4.99

$

Usually ships in 3-10 days

0

39

Husqvarna 532193003

BOLT.WASHER.ASM.7/16-2

$9.49

$

In Stock, Qty 20+

0

40

Husqvarna 539107608

SHOULDER BOLT 1/2X2-5/8 ZD SPE
(Superseded to 532193406)

$2.49

$

In Stock, Qty 20+

0

41

Husqvarna 539107630

WASHER HEAD SCREW
(Superseded to 584953901)

$1.49

$

In Stock, Qty 20+

0

42

Husqvarna 539107590

LOCKNUT - 9/16
(Superseded to 596134801)

$2.49

$

In Stock, Qty 20+

0

43

Husqvarna 539990717

NUT 5/16 NYLOC
(Superseded to 596583702)

$3.49

$

In Stock, Qty 20+

0

44

Husqvarna 539990196

NUT 5/16C HEX

$1.99

$

Usually ships in 3-10 days

0

45

Husqvarna 539976979

NUT 3/8-16 NYLOC
(Superseded to 596240901)

$3.49

$

In Stock, Qty 20+

0

46

Husqvarna 539101331

NUT 1/2-13 HEX NYLOC ZD
(Superseded to 596135601)

$4.99

$

In Stock, Qty 20+

0

47

Husqvarna 539112899

5/16-18 NYLOC FLANGE NUT
(Superseded to 594944401)

$6.99

$

In Stock, Qty 20+

0

48

Husqvarna 539990517

WASHER 3/8 FLAT
(Superseded to 596433701)

$3.49

$

In Stock, Qty 20+

0

49

Husqvarna 539106504

SPINDLE WASHER

$

$

Not available

50

Husqvarna 539990692

WASHER 5/16 FLAT
(Superseded to 819121414)

$3.49

$

In Stock, Qty 20+

0

51

Husqvarna 539109600

WASH 5/16 DISC SPRING ZD
(Superseded to 596565001)

$3.49

$

Usually ships in 3-10 days

0

52

Husqvarna 539102243

WASHER, SUPPORT
(Superseded to 596437501)

$11.99

$

In Stock, only 4 left!

0

53

Husqvarna 539990550

WASHER 1/2 FLAT

$

$

Not available

54

Husqvarna 539107520

WASHER-SPACER
(Superseded to 532187690)

$5.99

$

In Stock, Qty 20+

0