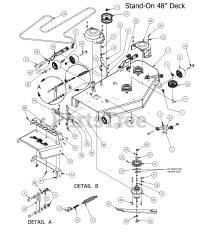
Outlaw Stand-On - Bad Boy Stand-On Mower (2016) Parts & Diagrams Parts Lists & Diagrams

Stand-On Mower