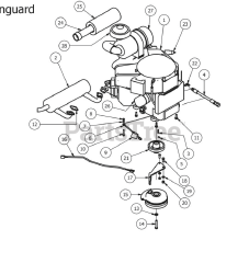
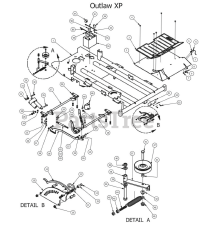
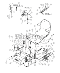
Outlaw XP - Bad Boy Zero-Turn Mower (2013) Parts & Diagrams Parts Lists & Diagrams

Zero-Turn Mower