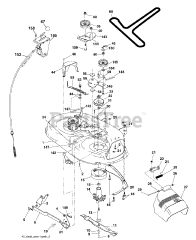
PB 185H42 LT - Poulan Lawn Tractor (2006-01) Parts & Diagrams Parts Lists & Diagrams

Lawn Tractor