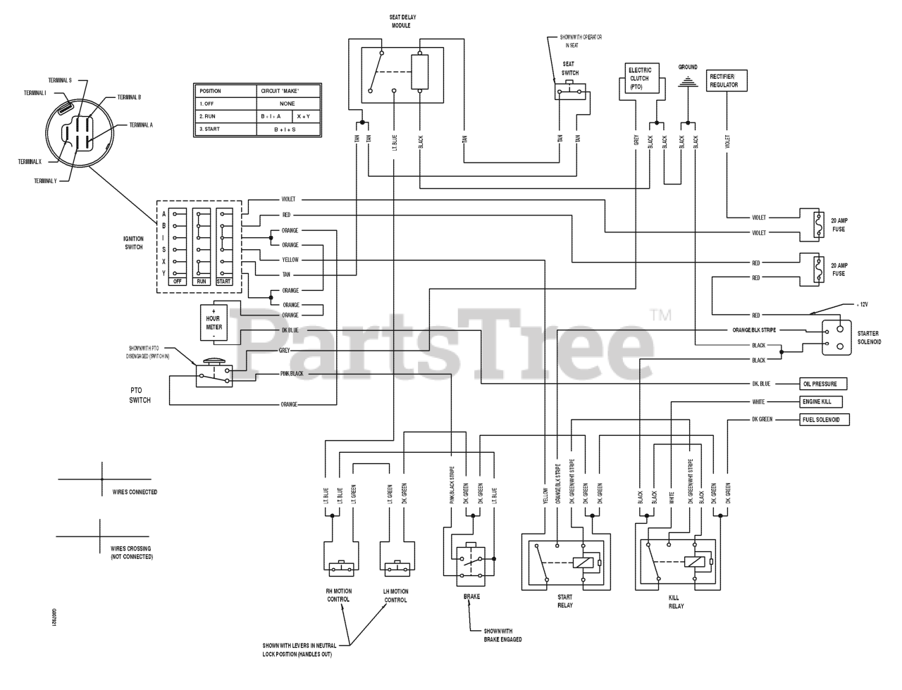
PHZ19KA343 - Exmark 34" Phazer Zero-Turn Mower, 19hp Kawasaki (SN: 790000 - 820976) (2009) Electrical Schematic Parts Diagram

34" Phazer Zero-Turn Mower, 19hp Kawasaki

Electrical Schematic Parts Diagram

  • Title

Diagram Only, No Parts List Available

$

$

Not available