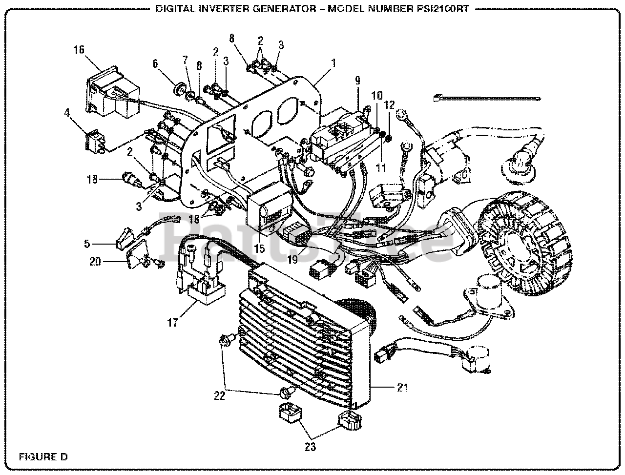
PS i2100 RT - PowerStroke Digital Inverter Generator Figure D Parts Diagram

Digital Inverter Generator

Figure D Parts Diagram

  • Title
1

Homelite LH2000I-361001C

Control Panel Faceplate

$

$

Not available

2

GB-T845-F-H-st4.2x13

Screw (ST4.2 x 13 mm)

$

$

Not available

3

Homelite LH1000I-361006

Washer (IDdia4 x OD10 x 1.6t)

$

$

Not available

4

Homelite LH1000I-361300

Smart Throttle Switch

$

$

Not available

5

Homelite LH2000I-364100

On/Off Switch

$2.49

$

Usually ships in 3-7 days

0

6

Homelite LH1000I-360002

Knurled Nut (M5)

$

$

Not available

7

Homelite GB-T6177.1-2000-M5

Flange Nut (M5)

$

$

Not available

8

Homelite GB9074.5-88

Screw (M4 x 12 mm)

$

$

Not available

9

Homelite LH1000I-361800

120V-20A Duplex Receptacle

$24.99

$

Usually ships in 3-7 days

0

10

Homelite GB-T848-2002-4

Washer (ID4 x OD8 x 0.5t)

$

$

Not available

11

Homelite GB-T93-1987-4

Spring Washer (M4)

$

$

Not available

12

$

$

Not available

13

Homelite GB-T5789-1986-M5X16

Bolt (M6 x 16 mm, Flange Hd.)

$

$

Currently unavailable

14

Homelite LH1000I-361400A

Ground Line Assembly

$

$

Not available

15

Homelite LH2000I-361600

Indicator Light TCI Set

$71.99

$

Usually ships in 3-7 days

0

16

Homelite LH2000I-361100

12V DC Receptacle

$

$

Not available

17

Homelite LH2000I-366000

12V AC to DC Regulator
(Superseded to LH1000I-364100)

$

$

Not available

18

$7.99

$

Usually ships in 3-7 days

0

19

Homelite LH2000I-363000

Multiple End Control Panel

$

$

Not available

20

Homelite LH1000I-364001

Main Switch Cover

$

$

Not available

21

Homelite 290991009

Inverter Module

$857.99

$

Usually ships in 3-7 days

0

22

Homelite LH1000I-362002

Bolt (M6 x 12 mm)

$

$

Not available

$

$

Not available