QT01816GNAN - Generac 18kW Home Standby Generator (SN: 4884642 - 5079706) (2016) Schematic Diagram (0G1042) Parts Diagram

18kW Home Standby Generator

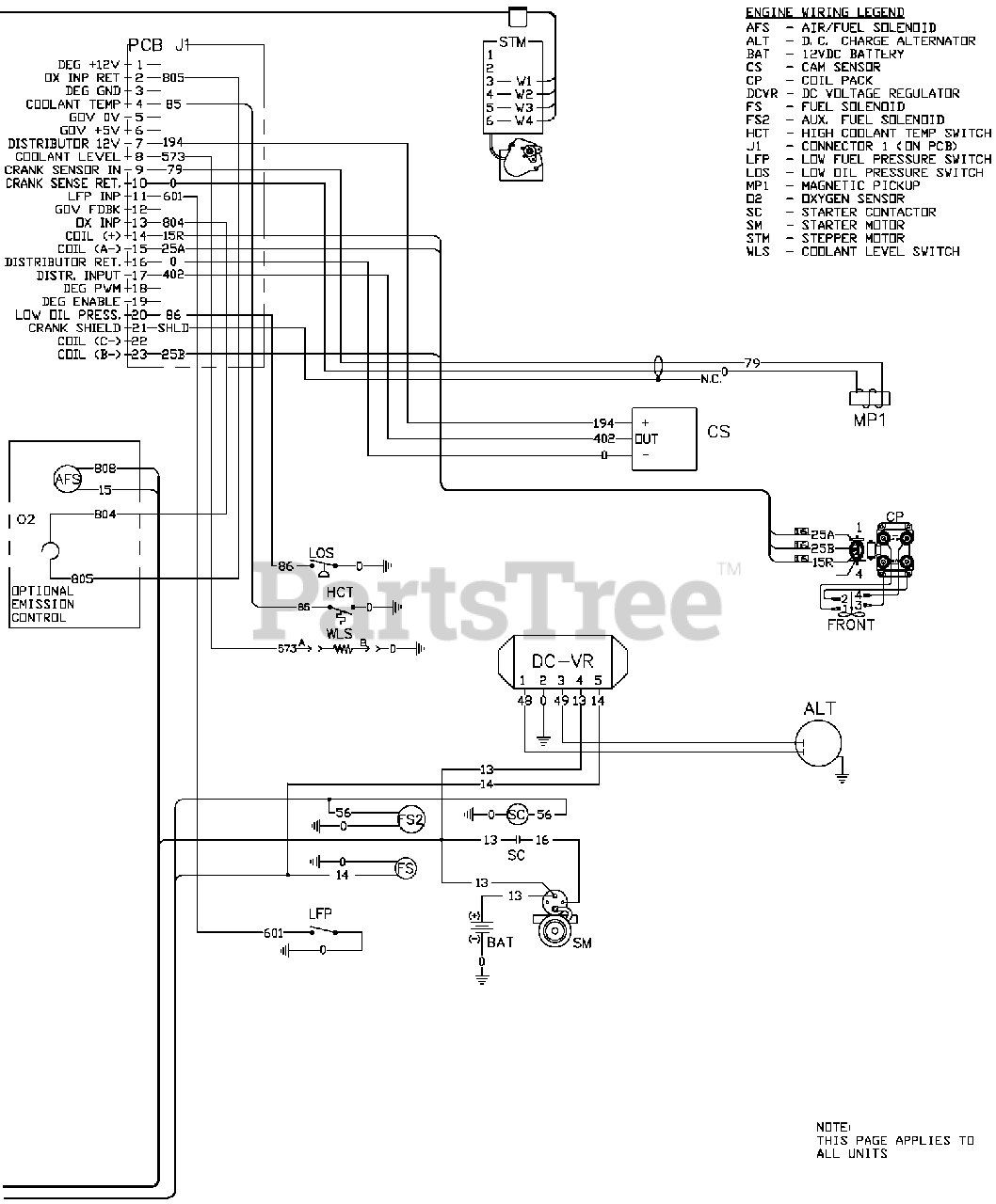
Schematic Diagram (0G1042) Parts Diagram

  • Title

No Parts List Information Available

$

$

Not available