QT02516GNSN - Generac 25kW Home Standby Generator (SN: 5598755 - 5669127) (2009) Wiring Diagram (0H4371) Parts Diagram

25kW Home Standby Generator

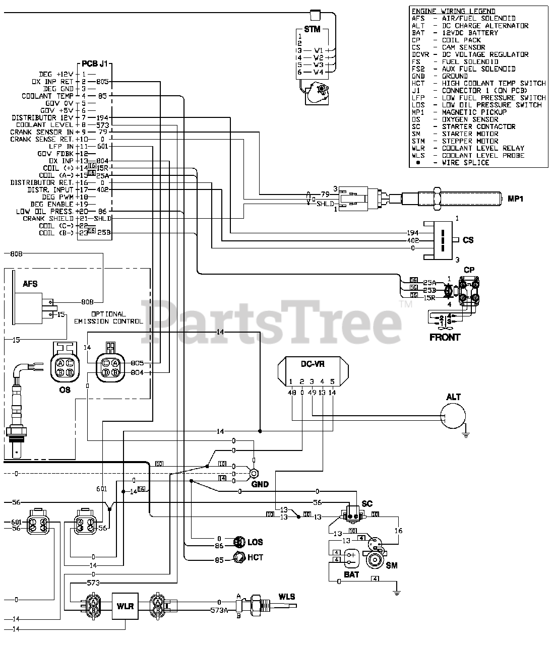
Wiring Diagram (0H4371) Parts Diagram

  • Title

No Part List Information Available

$

$

Not available