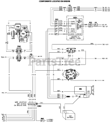
QT02524KNNNA - Generac 25kW Home Standby Generator (SN: 8141109 - 10017929) (2015) Parts & Diagrams Parts Lists & Diagrams

25kW Home Standby Generator

QT02524KNNNA - Generac 25kW Home Standby Generator (SN: 8141109 - 10017929) (2015) > Parts Diagrams (45)