QT04039GVSN - Generac 40kW Home Standby Generator (SN: 4327328 - 4341326) (2006) Schematic - Diagram (0F4277) Parts Diagram

40kW Home Standby Generator

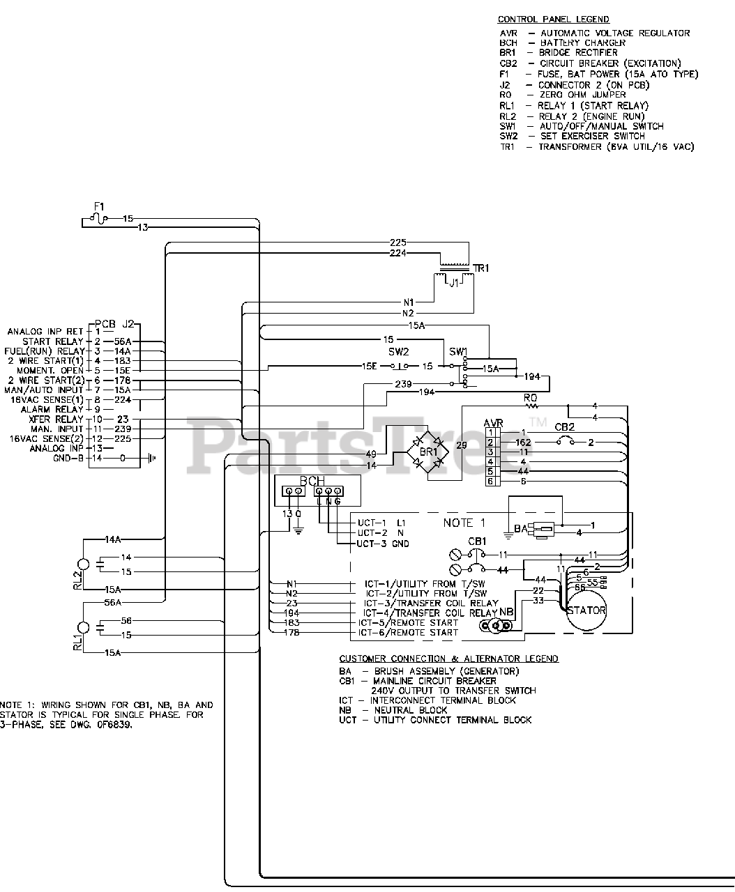
Schematic - Diagram (0F4277) Parts Diagram

  • Title

No Part List Information Available

$

$

Not available