QT04524GNSN - Generac 45kW Home Standby Generator (SN: 4795891 - 4795891) (2007) Schematic - Diagram (0G1047) Parts Diagram

45kW Home Standby Generator

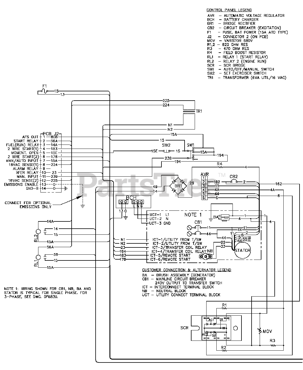
Schematic - Diagram (0G1047) Parts Diagram

  • Title

No Part List Information Available

$

$

Not available