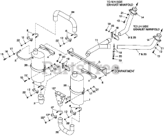
QT04842JNAN - Generac 48kW Home Standby Generator (SN: 5146214 - 5239478) (2008) Parts & Diagrams Parts Lists & Diagrams

48kW Home Standby Generator

QT04842JNAN - Generac 48kW Home Standby Generator (SN: 5146214 - 5239478) (2008) > Parts Diagrams (46)