QT06024GNSN - Generac 60kW Home Standby Generator (SN: 5447663 - 5447663) (2009) Schematic Daigram (0G8840) Parts Diagram

60kW Home Standby Generator

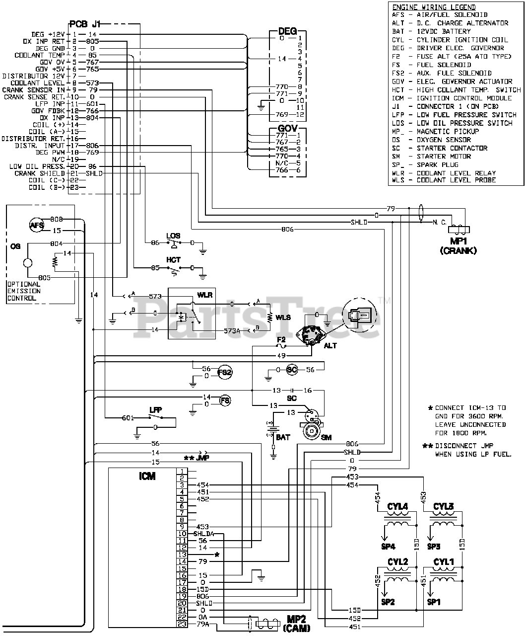
Schematic Daigram (0G8840) Parts Diagram

  • Title

No Part List Information Available

$

$

Not available