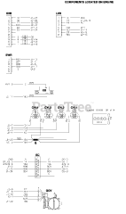
QT06024GVAX - Generac 60kW Home Standby Generator (SN: 5989789 - 6882574) (2012) Parts & Diagrams Parts Lists & Diagrams

60kW Home Standby Generator