QT06030GNSN - Generac 60kW Home Standby Generator (SN: 4790827 - 4933618) (2007) Schematic - Diagram (0G4119) Parts Diagram

60kW Home Standby Generator

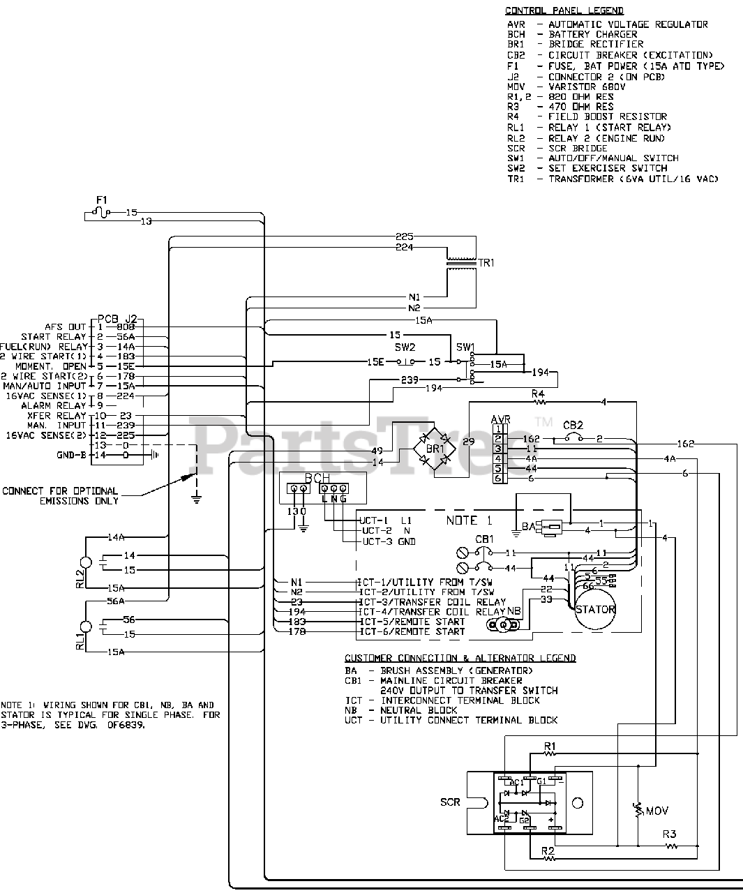
Schematic - Diagram (0G4119) Parts Diagram

  • Title

No Part List Information Available

$

$

Not available