QT06030GNSN - Generac 60kW Home Standby Generator (SN: 4935821 - 4981339) (2008) Schematic Diagram (0G0166) Parts Diagram

60kW Home Standby Generator

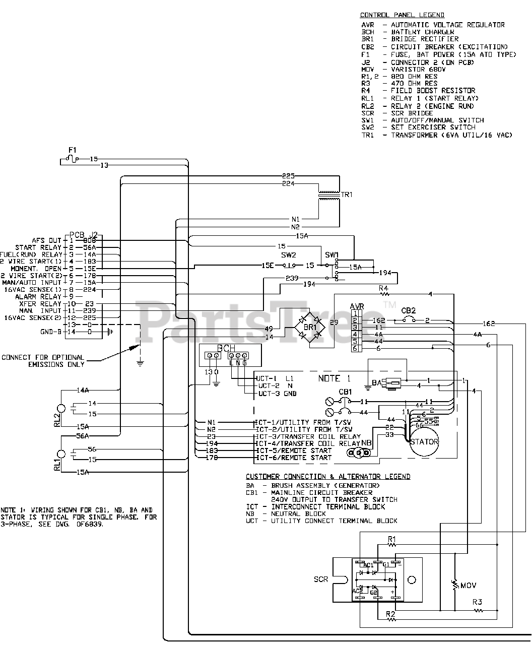
Schematic Diagram (0G0166) Parts Diagram

  • Title

No Part List Information Available

$

$

Not available