QT06030JVSN - Generac 60kW Home Standby Generator (SN: 4990649 - 5011004) (2008) Schematic - Diagram (0G0166) Parts Diagram

60kW Home Standby Generator

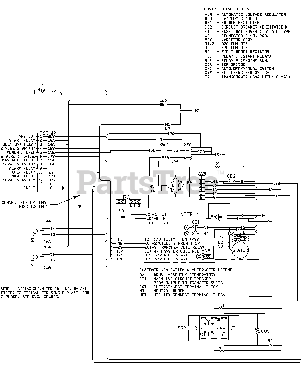
Schematic - Diagram (0G0166) Parts Diagram

  • Title

No Part List Information Available

$

$

Not available