70kW Home Standby Generator
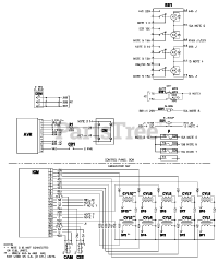
Click here for Parts List
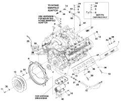
Click here for Parts List
Click here for Parts List
Click here for Parts List
Click here for Parts List
Click here for Parts List
Click here for Parts List
Click here for Parts List
Click here for Parts List
Click here for Parts List
Click here for Parts List