QT08054GNSNA - Generac 80kW Home Standby Generator (SN: 5443067 - 5588022) (2009) Wiring Diagram (0G1295) Parts Diagram

80kW Home Standby Generator

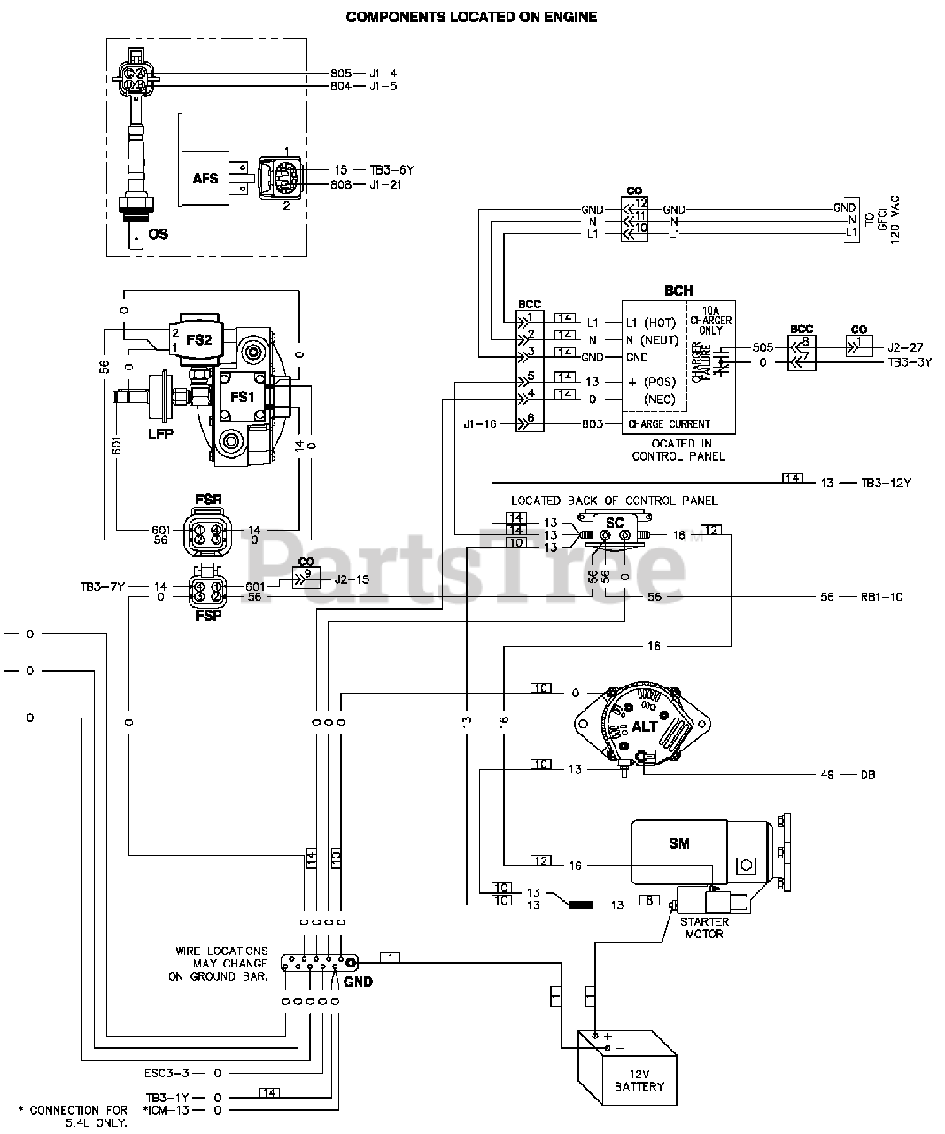
Wiring Diagram (0G1295) Parts Diagram

  • Title

No Part List Information Available

$

$

Not available