QT10068KVSY - Generac 100kW Home Standby Generator (SN: 5112004 - 5340778) (2009) Wiring Diagram (0G9990) Parts Diagram

100kW Home Standby Generator

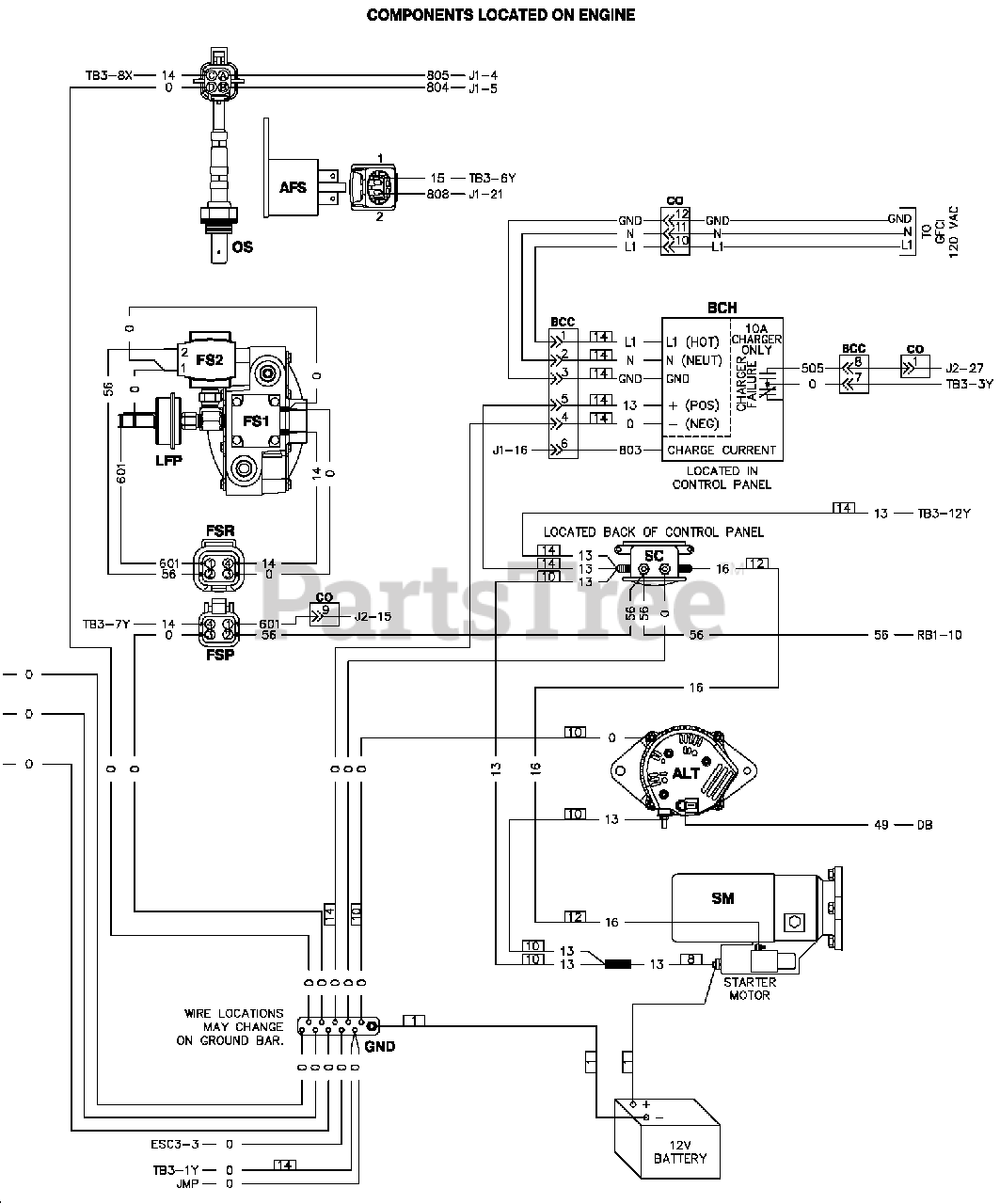
Wiring Diagram (0G9990) Parts Diagram

  • Title

No Part List Information Available

$

$

Not available