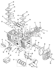
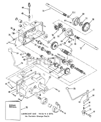
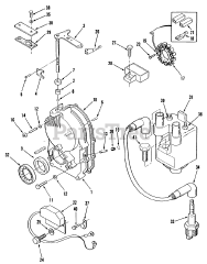
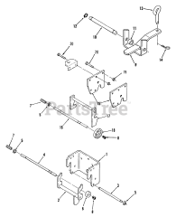
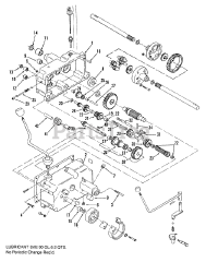
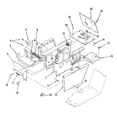
R1-16O801 (316-8) - Toro Garden Tractor (1990) Parts & Diagrams Parts Lists & Diagrams

Garden Tractor