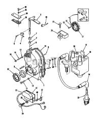
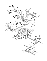
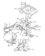
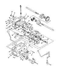
R1-16O804 (316-8) - Toro Garden Tractor (SN: 020000001 - 029999999) (1992) Parts & Diagrams Parts Lists & Diagrams

Garden Tractor