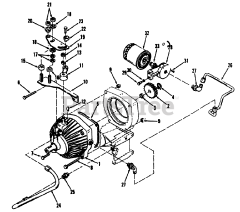
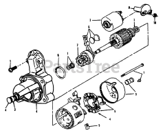
R1-20OE02 (520-H) - Toro Garden Tractor (SN: 020000001 - 029999999) (1992) Parts & Diagrams Parts Lists & Diagrams

Garden Tractor