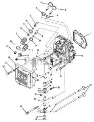
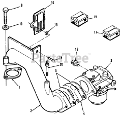
R2-12O501 (212-5) - Toro Garden Tractor (SN: 010000001 - 019999999) (1991) Parts & Diagrams Parts Lists & Diagrams

Garden Tractor