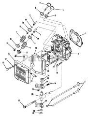
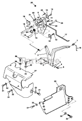
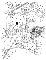
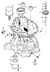
R2-12O502 (212-5) - Toro Garden Tractor (SN: 020000001 - 029999999) (1992) Parts & Diagrams Parts Lists & Diagrams

Garden Tractor