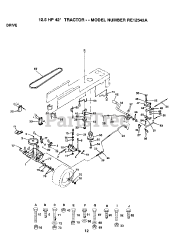
RE 12542 A - Electrolux/AYP Lawn Tractor Parts & Diagrams Parts Lists & Diagrams

Lawn Tractor