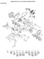
RT130 AR - Electrolux/AYP Tiller Parts & Diagrams Parts Lists & Diagrams

Tiller