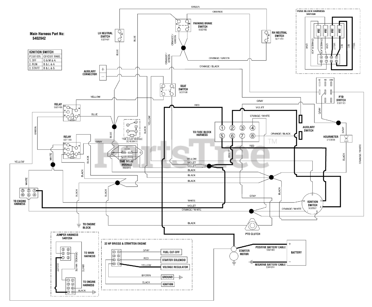
S 200X (5900971) - Snapper Pro S200X Series Zero-Turn Mower, 32hp Briggs & Stratton Electrical Schematic - Charging Circuit - Briggs & Stratton Model Parts Diagram

S200X Series Zero-Turn Mower, 32hp Briggs & Stratton

Electrical Schematic - Charging Circuit - Briggs & Stratton Model Parts Diagram

  • Title