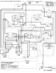
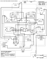
S 200XT (5901233.0) - Snapper Pro S200XT Series 61" Zero-Turn Mower, 29hp Kohler (SN: 2016950122 & Below) Parts & Diagrams Parts Lists & Diagrams

S200XT Series 61" Zero-Turn Mower, 29hp Kohler

S 200XT (5901233.0) - Snapper Pro S200XT Series 61" Zero-Turn Mower, 29hp Kohler (SN: 2016950122 & Below) > Parts Diagrams (33)